全国服务热线:
021-67222100
网站首页
关于我们
新闻动态
产品展示
斯凯孚SKF润滑泵
NOP摆线齿轮泵
VORTEX泵浦
TERAL冷却泵
TERAL齿轮泵
富士鼓风机
亚隆齿轮泵
资质荣誉
代理品牌证书
营销网络
维修指导
客户留言
人才招聘
联系我们
产品展示
PRODUCTS
斯凯孚SKF润滑泵
NOP摆线齿轮泵
VORTEX泵浦
TERAL冷却泵
TERAL齿轮泵
富士鼓风机
亚隆齿轮泵
联系我们
CONTACT US
手机:
18616517309或18117192848
电话:
021-67222100
邮箱:
shruifu@163.com
地址:
上海市金山区龙航路2828号西门一层
斯凯孚SKF润滑泵
当前位置:
首页
>
产品展示
>
斯凯孚SKF润滑泵
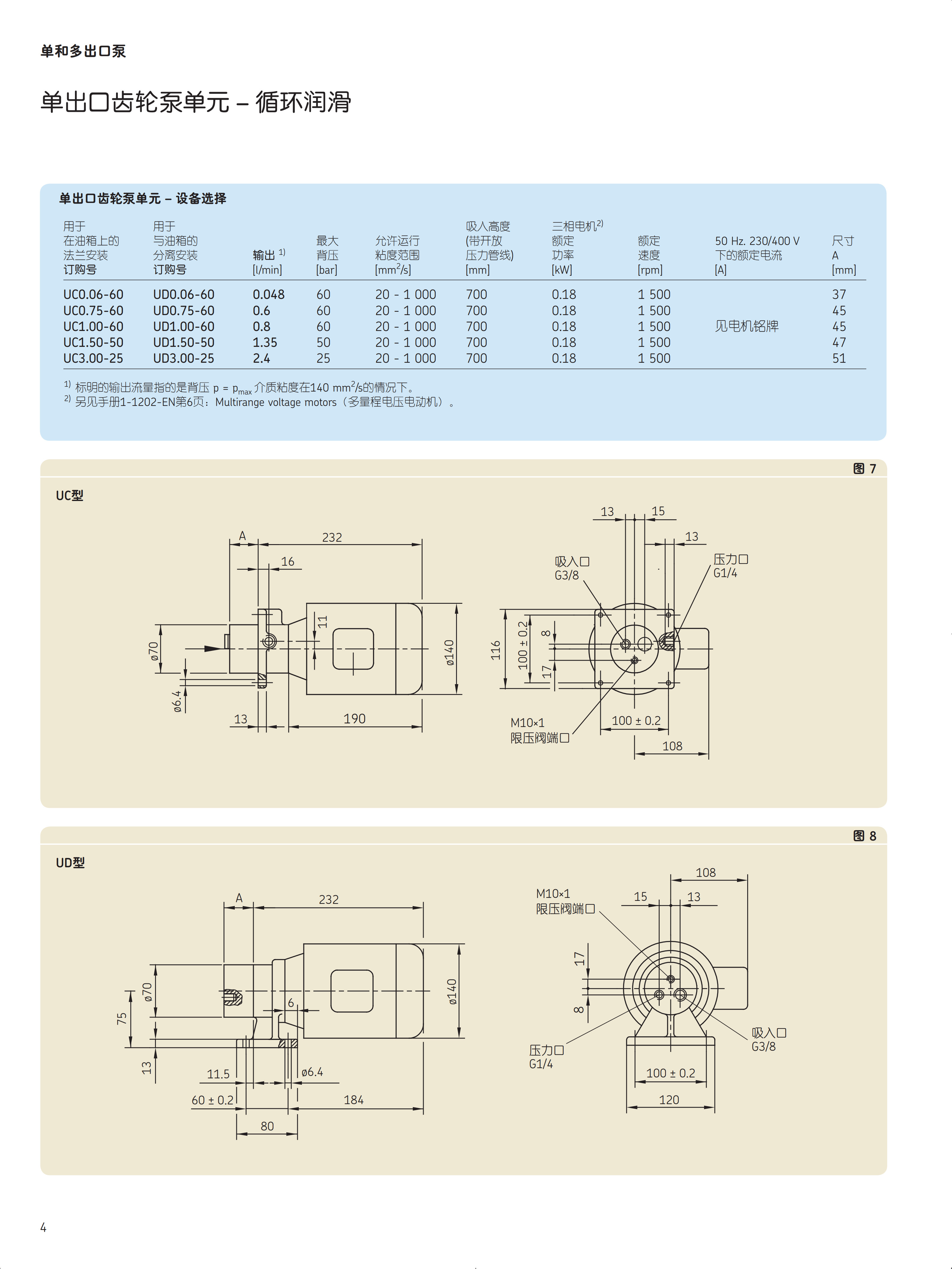
SKF单和多出口泵
添加时间:2025-10-13
上一篇:斯凯孚MCU系列
下一篇:SKF电动油脂泵B104
[返回列表]
产品展示
PRODUCTS
SKF单和多出口泵
斯凯孚MCU系列
AMTP-CH(低粘度高压用)
VKP型浸入式泵
VKN-A型自吸泵
2MY-2HWM(马达一体型)
2HB(泵单体)
VFC-AN型
VFZ-A型
VKD型多级浸入式泵